IPB

Здравствуйте, гость ( Вход | Регистрация )

 Правила форума Правила форума
 
Ответить в данную темуНачать новую тему
Распиновка эбу на 13В re, мужики помогите
рамис
сообщение 15.3.2014, 23:44
Сообщение #1


Team member
*****

Группа: Пользователи
Сообщений: 893
Регистрация: 6.1.2007
Из: Уфа
Пользователь №: 912



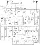
Прикрепленное изображение
Прикрепленное изображение

вот две схемки для ФЦ . одна под модуль другая под бобинки .
качни мануал . под свой автомобиль . там распиновка разная по типу зажигания ( модуль , трамблер и тд ) универсальной схемы нет
если ты про 13B конечно спрашиваешь который на fc3s стоит

блин тока увидел что форум по косме )

Сообщение отредактировал рамис - 15.3.2014, 23:42


--------------------
...я помню тогда мы стояли на плоскости, наблюдая закон бесконечной молодости, она не кончалась и мчалась на скорости, как поезд до Мормежей в Орловской области...
Перейти в начало страницы
 
+Цитировать сообщение
funklove
сообщение 15.3.2014, 15:52
Сообщение #2


Космодел-теоретик
************

Группа: Администраторы
Сообщений: 1709
Регистрация: 13.10.2005
Из: Москва
Пользователь №: 5



Здесь смотрел?
http://rapidshare.com/files/3109941564/CSM.zip


--------------------
Космодел-теоретик со стажем
Перейти в начало страницы
 
+Цитировать сообщение
spell727
сообщение 14.3.2014, 22:54
Сообщение #3


Новичок (<30 постов)
*

Группа: Пользователи
Сообщений: 15
Регистрация: 16.4.2013
Пользователь №: 5217



Очень нужна расиновка мозга 8бит , буду благодарен за любые схемы.
Перейти в начало страницы
 
+Цитировать сообщение

Ответить в данную темуНачать новую тему
1 чел. читают эту тему (гостей: 1, скрытых пользователей: 0)
Пользователей: 0

 



RSS Текстовая версия Сейчас: 29.4.2026, 12:51